Написать в MAX

Ереван
Аршакуняц 210\1 салон 21
+37477476108, +374 93 356625
aquapool66@mail.ru, liova.grigoryan@mail.ru
Тех. поддержка +7906 858 9313BR>aquapool66@mail.ru
What sapp +374 77475379
Skyap pogosyan1001

Ваш регион: Армения и Карабах Հայաստան եւ Ղարաբ
Поиск товаров
Поиск по сайту
Каталог товаров

Система туманообразования и увлажнения воздуха

оборудования для фонтанов

Скульптурные фонтаны

Оборудование для фонтанов✓ и прудов✓

Оборудование для бассейнов ✓

Химия для бассейнов Маркопул ✓

Химия для бассейнов CTX

Химия для бассейнов hth ✓

СПА SPA БАССЕЙН ДЖАКУЗИ

Оборудование для бассейнов Dinotec

Оборудование для бассейнов ASTRAL

Сборно разборные бассейны Summer✓ и Azuro✓

Оборудование для Бассейнов ESPA

Дозирующие Оборудование SEKO

Дозирующие Оборудование ETATRON D S ✓

Химия для бассейнов OCEDIS

Оборудование озонирование воды и воздуха

Оборудование Бассейнов FIBERPOOL Glong и Pool King

Павильоны для бассейнов

Химия для бассейнов ASTRAL

Оборудование Общественных Спортивных Бассейнов ✓

Оборудование для Бассейнов Peraqua Hayward Pahlen Saci MTH Speck MMC Flexinox Tector CCEI Van Erp OSF Triogen Astore AllFit Xenozone Аквасектор

Водоподготовка. Баки для воды

Оборудование для бассейнов Маркопул

Оборудование для физиотерапии и реабилитации Гидротерапия

Химия для бассейнов bayrol

Композитные бассейны

Плёнка для Бассейна ✓ ПВХ

Оборудование для саун Helo

MAPEI КТТРОН Гидроизоляция и защиты бетонна, затирка и клей

Осушители воздуха DanVex

Оборудование для саун SAWO

Оборудование для саун TYLO

Оборудование для хамамов

Оборудование для Wellness и SPA центров

Хронометраж для спорта, судейские системы, таймеры, табло, видео-экраны.

Мозайка, плитка Бассейнов

Инфракрасные сауны

Оборудование для саун Harvia Харвия

Оборудование Для Саун и Бань

Осушители воздуха для бассейнов Dantherm

Освещение для бассейнов и саун

Новое

Теплообменник 126кВт Max Dapra D-KWT-AISI 105 корпус пластик гофр. спираль н/с (100804)

Теплообменник 91кВт Max Dapra D-KWT-AISI 85 корпус пластик гофр.спираль н/с (100803)

Теплообменник 84кВт Max Dapra D-TWT 65 корпус титан спираль титан (100137)

Теплообменник 84кВт Max Dapra D-HWT 65 корпус н/с спираль н/с AISI 316 (100102)

Теплообменник 63кВт Max Dapra D-HWT 54 корпус н/с спираль н/с AISI 316 (100121)

Теплообменник 46кВт Max Dapra D-KWT-AISI 45 корпус пластик гофр.спираль н/с (100802)

Теплообменник 42кВт Max Dapra D-HWT 35 корпус н/с спираль н/с AISI 316 (100101)

Теплообменник 28кВт Max Dapra D-HWT 24 корпус н/с спираль н/с AISI 316 (100125)

Теплообменник 25кВт Max Dapra D-KWT-AISI 25 корпус пластик гофр.спираль н/с (100801)

Теплообменник 14кВт Max Dapra D-HWT 12 корпус н/с спираль н/с AISI 316 (100119)

Вентиль Gemas 6-позиционный боковой 2 1/2" (022130001)

Вентиль Gemas 6-позиционный боковой 1 1/ 2" (02400T)

Стойки указателей фальстарта Gemas H=1,8м D=42мм (2шт.) AISI 304 +шнур+поплавки (басс. 25м) (14322)

Стойки указателей поворота Gemas H=1,8м D=42мм (2шт.) AISI 304 +шнур+флажки (басс. 25м) (14312)

Стойка крепления разделительных дорожек Gemas AISI 304 (14620)

Стартовая тумба Gemas H=700мм AISI 304 (14121)

Стартовая тумба Gemas H=700мм AISI 304 (14111)

Разделитель дорожек Gemas МОСКВА 50м (14532)

Разделитель дорожек Gemas МОСКВА 25м Gemas (14531)

Горизонтальное анкерное крепление Арт.: 40566


все обновления

Для саун и бань

Предлагаемое нами оборудование для саун позволяет расслабится, вдохнуть аромат сауны и ощутить неповторимую атмосферу тепла. Элегантный дизайн, современные технологии и высококачественные материалы в лучших традициях делают отдых в сауне приятным и комфортным. Мы поставляем Оборудование для саун и бань от ведущих мировых производителей: Harvia, TYLO, Helo. Освещение для бассейнов и саун, ароматизаторы и аксессуары. Для городских условий: Инфракрасные сауны, Парогенераторы, компактные сауны.

 

Купить в Ереване. Гюмри. Талин. Артик. Аштарак. Севан. Раздан. Цахкадзор. Арзни. Дилиджан. Джермук. Ваик. Масис. Армавир. Этчмиадзин. Вагаршапат. Арташат. Арарат. Чаренцаван. Сисян Горис Мегри. Капан. Иджеван . Ноенберян. Алаверди. Чамбарак. Степанакерт. Шуши. Мартакерт -Аквапул ГК +374 77476108 +374 93 356625, +374 098 073235 - Գնել Հայաստան Երեւանում, Գյումրի. Թալին. Արթիկ: Աշտարակ: Սեւան: Հրազդան. Ծաղկաձոր: Արզնի. Դիլիջան: Ջերմուկում: Վայք: Մասիս: Արմավիրի: Էջմիածինը: Վաղարշապատ: Արտաշատ: Արարատ Չարենցավան:Գորիս, Մեղրի: Կապանի Իջեւանի Ալավերդի: Ճամբարակ. Ստեփանակերտ. Շուշին: Մարտակերտ- Ակվապուլ

Установка ультрафиолетовой обработки для общественных бассейнов UVARAY 300, поток 300 м3/ч, 6 кВт, 380 В TRIOGEN

Установка ультрафиолетовой обработки для общественных  бассейнов UVARAY 300, поток 300 м3/ч, 6 кВт, 380 В TRIOGENМаксимальный поток: 300 м3/ч Мощность лампы: 6 кВт Напряжение питания: 380 В Микропроцессорная система управления Uvaray с журналом событий Автоматическая система очистки Smartdrive с возможностью перехода к ручному управлению Индикатор интенсивности УФ-излучения Индикация температуры в колбе Автоматический переход в режим 50% мощности (ночной режим) Интерфейсы для подключения к системам управления зданием Быстрая замена лампы Компактные размеры Простая установка и обслуживание

Производитель: Triogen
Установка ультрафиолетовой обработки для общественных  бассейнов UVARAY 300, поток 300 м3/ч, 6 кВт, 380 В TRIOGEN

Установка ультрафиолетовой обработки для общественных  бассейнов UVARAY 300, поток 300 м3/ч, 6 кВт, 380 В TRIOGEN

Максимальный поток: 300 м3/ч
Мощность лампы: 6 кВт
Напряжение питания: 380 В

Микропроцессорная система управления Uvaray с журналом событий
Автоматическая система очистки Smartdrive с возможностью перехода к ручному управлению
Индикатор интенсивности УФ-излучения
Индикация температуры в колбе
Автоматический переход в режим 50% мощности (ночной режим)
Интерфейсы для подключения к системам управления зданием
Быстрая замена лампы
Компактные размеры
Простая установка и обслуживание

 

 

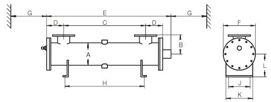
Модель A B C D E F G H J K L Подключение
UVALITE 45 200 175 700 145 1065 275 900 700 170 200 150 3"
UVALITE 90 200 175 600 195 1065 275 900 700 170 200 150 6"
UVALITE 125 250 200 600 195 1065 325 900 700 220 250 175 6"
UVALITE 210 250 200 900 220 1415 325 1250 1000 220 250 175 8"
UVALITE 300 300 250 900 220 1415 375 1250 1000 270 300 200 8"
UVALITE 400 400 300 840 250 1415 475 1250 1000 370 400 250 10"
UVALITE 600 350 275 780 280 1415 425 1250 1000 320 350 250 12"
UVALITE 750 400 300 780 280 1415 475 1250 1000 370 400 250 12"
UVALITE 1000 400 300 720 310 1415 475 1250 1000 370 400 250 14"

Triogen

Компания Degremont Technologies?Triogen (Шотландия) входит в состав группы компаний Ozonia и имеет более чем 20-ти летний опыт в производстве озонаторов и систем дезинфекции на основе УФ излучения. В отличие от компаний, специализирующихся на одной из этих технологий, Triogen может найти оптимальное решение для каждого конкретного случая.


Все товары этого производителя
Стоимость
по запросу

 

У нас Вы можете заказать Установка ультрафиолетовой обработки для общественных бассейнов UVARAY 300, поток 300 м3/ч, 6 кВт, 380 В TRIOGEN Для этого Вы можете воспользоваться формой электронного заказа на сайте, либо связаться с нашими сотрудниками тел+374 77476108, +374 93 356625, +374  098 073235 

 Наш сайт представляет Вам возможность сделать Заказ на расчет сметы для вашего бассейна фонтана и саун!

РА г. Ереван ул. Аршакуняц 210\1 салон 21,  Аквапул ГК +7906 858 9313, +374  098 073235   aquapool66@mail.ru                                 Режим работы с 09 00 до 18 00 вс. выходной
Офис Астана ​Улица Каныш Сатпаев, 20

тел +7 702 640 8142, ​+7 701 952 0952 

pogosan100@yandex.ru aquapool-astana.kz  Проектирование Оборудование для фонтанов  https://fontankz.kz

 
Մեծածախ եւ մանրածախ սարքավորումների, լողավազանների համար, շատրվաններ,  սաունաներ Հայաստանի Երեւանում: Գյումրի. Թալին. Արթիկ: Աշտարակ: Սեւան: Հրազդան. Ծաղկաձոր: Արզնի. Դիլիջան: Ջերմուկում: Վայք: Մասիս: Արմավիրի: Էջմիածինը: Վաղարշապատ: Արտաշատ: Արարատ Չարենցավան:Գորիս, Մեղրի: Կապանի Իջեւանի Ալավերդի: Ճամբարակ. Ստեփանակերտ. Շուշին: Մարտակերտ
Գնել, գինը, խանութ, վաճառք, մեծածախ
 
 
 

  купить, цены, магазин, продажа, оптом  Скачать Полный каталог продукции

Оборудование для бассейнов | Сборные бассейны Azuro | Оборудование для Саун | Harvia | Astral | Оборудование забора и подачи воды | Сборно-оазборные бассейны Astral ESPA Насосы Hayward Насосы Speck | Оборудование для освещения | Водпады и водяные пушки | Противотоки |Пылесосы | Аэромассаж | Химия hth Дозирующее оборудование Etatron Hayward CTX helo | Аква-Аэробика Скиммер | Фильтр | Плёнка для Бассейна ПВХ | Оборудование для саун и бань

Լողավազանների սարքավորումներ, շատրվանների Սարքավորում,  Սարքավորում սաունաների համար, Քիմիկատներ լողավազանների համար, Չափող սարքավորումներ լողավազան Քիմիկատներ ավելացնելու  համար, Սարքավորումներ Վելնես եւ Սպա կենտրոններ  համար, սպա լողավազան ջակուզի, ինֆրակարմիր սաունաներ

ջրի ֆիլտրացում, լուսավորություն և պարագաներ · ջրի ֆիլտրացում,
լուսավորություն և պարագաներ · ջրի ֆիլտրացում, լուսավորություն և

պարագաներ · լողավազանի մաքրման ռոբոտներ · ջրամեկուսացում.

РА г. Ереван ул. Аршакуняц 210\1 салон 21,  Аквапул

Корзина

Корзина пуста

Расчет стоимости бассейна
Заказать расчет стоимости бассейна
Каталог производителей
AlkorplanAquamusiqueAstralPoolBayrolBehnckeBombas Saci CCEICTXCoraplaxDinotecMaytronics EspaEtatronFLAG S.p.A. FlexinoxFontanaHTHHarviaHaywardHeloIASOIMLInfradocKastorLovibondMTHOasePahlenPeraquaSafe-RainSawoSekoSerapoolTriogenTyloVan ErpАкватехникаАквасекторМАРКОПУЛ-КЕМИКЛС Bombas PSHDanVexПТК СпортHYGROMATIK НПО ЛИТDanVexFiberpoolKokidoXENOZONEOctopus medical equipmentEWAC MedicalJacuzzi ОВЕНWellis SpaSTEAMTECMUSTANGWATERMAN ГерманияHST Synthetics Ltd КанадаТМ ПАРОМАКСНОВОСИБИРСКИЙ КЕДРОВЫЙ ЗАВОДDАРИН Русская техника для бассейновALGE-TIMINGALFAsept antisepticPolien скульптурные фонтаныAquaviva  компании AQA CONSTRUCCIONES METALICAS TYBSA S.L.Aquapool-GroupGEMASMax Dapra

все производители

Справочник организаций



Аквапарки
Башкортостан(Башкирия), Воронежская обл., Дагестан, Иркутская обл., Кемеровская обл., Краснодарский край, Курская обл., Москва и Московская обл., Новгородская обл., Новосибирская обл., Омская обл., Ростовская обл., Самарская обл., Санкт-Петербург и область, Саратовская обл., Свердловская обл., Ставропольский край, Татарстан, Томская обл., Хабаровский край, Челябинская обл.,
Бани
Алтайский край, Амурская обл., Башкортостан(Башкирия), Калининградская обл., Калужская обл., Кемеровская обл., Кировская обл., Красноярский край, Курганская обл., Москва и Московская обл., Новосибирская обл., Пермская обл., Приморский край, Свердловская обл., Татарстан, Томская обл., Тюменская обл., Удмуртия, Хабаровский край, Челябинская обл.,
Бассейны
Алтайский край, Башкортостан(Башкирия), Кабардино-Балкария, Кемеровская обл., Краснодарский край, Красноярский край, Курганская обл., Москва и Московская обл., Новосибирская обл., Пермская обл., Приморский край, Санкт-Петербург и область, Северная Осетия, Ставропольский край, Томская обл., Тюменская обл., Удмуртия, Хабаровский край, Челябинская обл.,
Гостиницы
Алтайский край, Кемеровская обл., Красноярский край, Курганская обл., Пермская обл., Свердловская обл., Татарстан, Тюменская обл., Челябинская обл.,
Спортивные комплексы
Курганская обл., Свердловская обл., Тюменская обл.,
закрыть

Выберите Ваш регион